But this is precisely what the project team has taken on. The body that commissioned the building, the Government Office for London, the client CIT, the architect Foster and Partners and Arup, the engineer, are all behind this ambitious goal. The target is for the air-conditioning systems in the GLA building to use only 25% of the energy of a typical high-specification office building. The Government Office for London also specified that the occupants should enjoy the comforts of a conventional building with local control of the climate. So just how have they attempted to fulfil this ambition? The shape of the building was the important first step towards achieving the energy targets. James Thonger, project manager for Arup, says: "The right orientation and form of the building gives the best payback in terms of energy efficiency."
A circular shaped building has 25% less surface area than a rectangular one with the same internal volume, so less heat loss or gain occurs through the exterior envelope.
Thonger describes the shape as less "peaky" than that of a conventional building, meaning that approximately the same area of the building presents itself to the sun at any moment in time. As a result, less instantaneous cooling is needed. This translates into smaller plant capacity, saving money and making the job of putting the plant into the basement of the building a little easier.
A sophisticated computer model was created to work out how much solar gain the building would be subjected to. Initial models helped to define the most energy-efficient form. A detailed analysis was then carried out. As Thonger explains: "There are no books that deal with the strange angles in this building. We did computer modelling to work out where the hotspots were over the whole year. We did every single orientation and elevation you can think of."
These results showed where and by how much the solar gain had to be reduced.
The results of the analysis had a significant impact on the whole design. Richard Hyams, project architect at Fosters, says: "It was fundamental to how we broke up the building itself." For example, the debating chamber ended up on the shaded northern elevation, as it had to be fully glazed to reflect the notion of open and transparent government. And on the southern elevation, the floor plates overhang each other progressively, shading the floor below, thereby minimising solar gain. Thonger reflects: "We spent a lot of time getting the facade right to minimise heat loss and gain, as this has a knock-on effect on the energy use of the rest of the building."
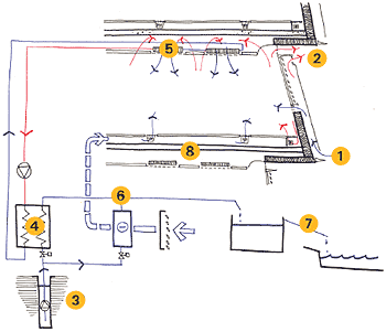
The GLA features a strange hybrid of natural ventilation and air-conditioning. The occupants can open the windows, enabling them to enjoy a fresh breeze and providing them with some control over their environment. Not a great innovation, you may think. But the really clever part is that opening the windows switches off the adjacent air-conditioning, saving energy.
In addition, there are water-filled chilled beams in the ceiling to provide extra cooling when it is very hot.
The cladding on the southern elevation is made up of 660 individual panels. Each triple-skinned cladding panel measures about 1.5 m wide by 3 m high. The outer skin is entirely made of glass, whereas only 25% of the area of the inner panels is fully glazed; insulation and opening flaps make up the rest of the panel.
Each panel has several built-in features to minimise heat transfer through the facade, and allow local control. A flap in the inner panel below the glass can be opened manually to allow cool air into the building. At the same time, a motorised flap at ceiling level opens to let warm air out, and it is this mechanism that also shuts down the air-conditioning in that zone.
The outer glass skin is designed to modulate wind pressure and partially reheats incoming air that passes through slots at the top and bottom edges of the glass. It also protects a user-operated blind that controls direct sunlight very effectively, according to Thonger. "Our target minimum solar gain was 180 W per linear metre for the glazed area, and we actually got 120 W. The performance of the blinds was better than we hoped for, as the architect went for a highly reflective blind." Thonger says the office facade is very well insulated, with an overall "U" value of 0.54 W/m2ºC, compared to 1.8 W/m2ºC for a typical glass building using "low E" glass.
In the winter, some warmth is provided by recycling heat from people and office equipment. Air extracted from the offices passes through a heat exchanger that heats the incoming fresh air, supplied to the offices via a floor plenum. Large ducts are used to distribute the air at a low velocity to minimise the energy needed to power the fans. A gas boiler provides additional heat when required through trench heaters around the building's perimeter.
The electrical consumption of the building is greatly reduced by the use of cold ground water instead of refrigeration to air condition the building. Two boreholes have been sunk to tap the water 50 m down. Pumping this out only uses a quarter of the power needed for a conventional air-conditioning system. The water arrives at the surface at 12°C and passes through a cooling coil, in order to cool the air supplied to the floor plenum. The cold water also cools the chilled beams, via a heat exchanger. The water is then discharged into the Thames, apart from that which is used for flushing toilets and irrigation purposes.
Despite all this effort, some people believe the building will not deliver the promised benefits. A report commissioned by the Government Office for London that was leaked to the press, said the design didn't merit a BREEAM rating of "excellent", and that the methods used to reduce energy consumption would also cause sick building syndrome. Thonger's answer to this criticism is that the report was carried out on the initial brief. "The scheme given was significantly better than the brief," he says. A BREEAM report has just been commissioned and Thonger and Hyams are confident the building will easily achieve the "excellent" rating for environmental performance and a healthy environment.
Ultimately, the acid test will be what the occupants think of the building when they take up residence next year, balanced against the size of the utility bills dropping onto Ken Livingstone's doormat.
Downloads
Solar gain of the GLA building
Other, Size 0 kbEnvironmental control system
Other, Size 0 kb















